
蝶閥知識
閥門首頁 > 閥門知識 > 蝶閥知識 > 電動蝶閥由電動執行器和蝶閥組成,電動執行器為90度旋轉,有開關和調節式兩種控制方式,通過電動執行器旋轉帶動蝶閥的開啟與關閉。具備手動操作功能,在斷電時通過手動操作來開關蝶閥。
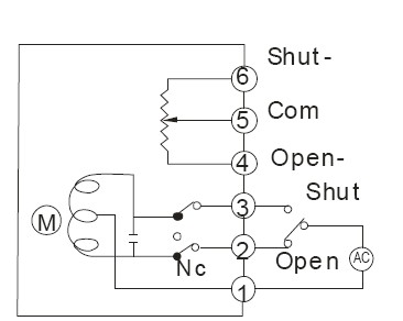
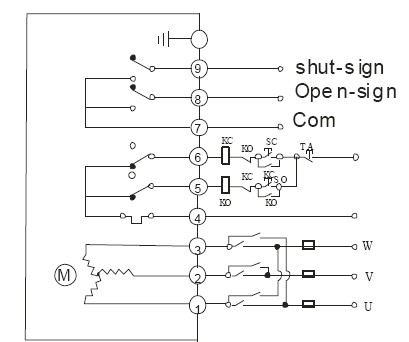
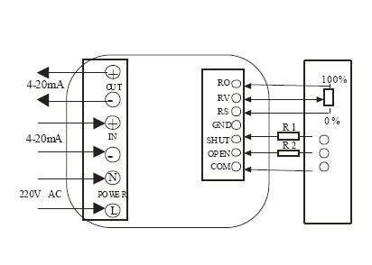
常見的電動蝶閥接線圖如下:
開關型帶有源燈指示電動蝶閥接線圖,共有5根接線,1,2,3是控制部分,1,4,5是反饋部分

開關型帶無源觸點型反饋電動蝶閥接線圖,1,2,3是控制部分接線,4,5,6為無源觸點反饋

開關型帶開度信號反饋電動蝶閥接線圖。1,2,3為控制接線部分,4,5,6為反饋部分,輸出0-5K的電阻值,可以選定

AC380V三相電源電動蝶閥接線圖



上一篇:電動法蘭蝶閥安裝注意事項及特點 / 下一篇:信號蝶閥的安裝使用及注意事項